Od projektu do gotowego detalu – proces produkcji CNC w PTI

Od projektu do gotowego detalu – jak wygląda proces produkcji CNC w PTI?

Zlecasz usługi CNC i chcesz wiedzieć, co dokładnie dzieje się z Twoją dokumentacją, zanim powstanie gotowy element? W PTI prowadzimy proces produkcji CNC według przejrzystych etapów, tak aby łączyć najwyższą jakość z przewidywalnym kosztem i terminem. Poniżej pokazujemy, jak wygląda droga od pliku CAD do detalu – z uwzględnieniem analizy kosztowej, programowania, obróbki na tokarkach i centrach 3-osiowych, kontroli jakości oraz wykończenia.

Etap 1 – Dokumentacja i projekt w procesie produkcji CNC

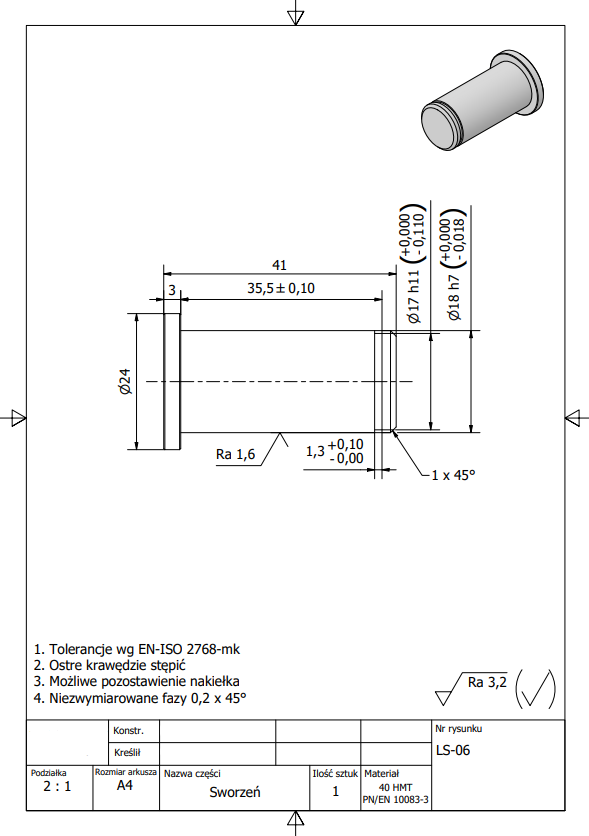
Startem jest dokumentacja techniczna: rysunki 2D lub modele 3D (STEP/Parasolid/IGES). Zdarza się, że punkt wyjścia stanowią szkice lub próbki, które odtwarzamy. Już na tym etapie patrzymy na projekt oczami technologa: gdzie można uprościć geometrię, gdzie tolerancje są nadmiarowe, a gdzie podcięcia i wąskie kieszenie niepotrzebnie zwiększają czas obróbki. Praktykujemy projektowanie z myślą o wykonaniu (DFM), dzięki czemu czas cyklu i koszt jednostkowy realnie maleją – bez poświęcania funkcji detalu.

Dokumentacja techniczna CNC – rysunek do produkcji detalu w procesie produkcji CNC
Rysunek techniczny – pierwszy krok w procesie produkcji CNC w PTI.

Etap 2 – Analiza technologiczna i kosztowa w procesie produkcji CNC

To element, który wyróżnia nas na rynku: pełna analiza kosztowa CNC. Porównujemy warianty wykonania detalu (materiał, strategia obróbki, zamocowanie, narzędzia), symulujemy czasy i wskazujemy rozwiązanie najbardziej opłacalne – zwłaszcza w produkcji seryjnej. Oceniamy m.in. czy uzasadnione jest aluminium, stal konstrukcyjna lub stal nierdzewna, a w przypadku tworzyw także wysokogatunkowy PEEK. Często niewielka korekta promieni, głębokości kieszeni lub luzów pasowań skraca czas obróbki o kilkanaście–kilkadziesiąt procent.

Analiza kosztowa to nie „ogólna sugestia”, tylko konkretne liczby: progowe wielkości serii, wpływ tolerancji na czas cyklu, efekt zastosowania narzędzi specjalnych i koszt ich amortyzacji. Dzięki temu klient podejmuje decyzje na twardych danych – wie, co ile kosztuje i dlaczego.

Etap 3 – Przygotowanie procesu i programowanie CNC

Po akceptacji rekomendacji przygotowujemy programy w środowisku CAM i plan operacji. Dobieramy oprawki, uchwyty, noże, frezy i głowice, definiujemy parametry (obroty, posuwy, głębokości). Wykonujemy symulacje kolizyjne oraz weryfikujemy kolejność zabiegów, aby minimalizować puste przejazdy i przezbrojenia. Ten etap bezpośrednio przekłada się na skrócenie czasu jednostkowego i stabilność procesu produkcji CNC, a w efekcie – na lepszą cenę.

Etap 4 – Obróbka CNC na maszynach (tokarki i centra 3-osiowe)

Produkcja rusza na odpowiednio dobranej obrabiarce: tokarkach CNC lub centrach frezarskich 3-osiowych. Toczenie realizujemy od zgrubnego po wykańczające – z rowkami, gwintami, podtoczeniami i precyzyjnymi średnicami. Frezowanie 3-osiowe wykonuje płaskie powierzchnie, kieszenie, otwory i płytkie podcięcia. W seriach wykorzystujemy podajniki prętów i standaryzujemy oprzyrządowanie, aby skrócić przezbrojenia. Dobór narzędzi (w tym specjalnych) kalkulujemy tak, by opłacały się przy zadanym wolumenie.

Proces produkcji CNC – tokarka CNC w trakcie pracy
Tokarka CNC w trakcie pracy – etap procesu produkcji CNC w PTI.

Etap 5 – Kontrola jakości CNC – kluczowy etap procesu produkcji CNC

Każdy detal przechodzi kontrolę jakości: wymiary, kształt, położenie i chropowatość. Stosujemy mikrometry, średnicówki, czujniki, sprawdziany gwintów i – w zależności od wymagań – pomiary na współrzędnościowych maszynach pomiarowych. W branżach regulowanych (spożywcza, medyczna) procedury kontroli są rozszerzone, a wyniki dokumentowane. To gwarancja, że seria „sztuka po sztuce” trzyma parametry z rysunku.

Kontrola jakości CNC – pomiary wymiarów i tolerancji w procesie produkcji CNC
Kontrola jakości – pomiar detali po obróbce CNC i weryfikacja tolerancji.

Etap 6 – Wykończenie i dostawa w procesie produkcji CNC

Po obróbce realizujemy wymagane wykończenia: anodowanie aluminium, polerowanie, szlifowanie, grawer laserowy, odtłuszczanie czy pasywację elementów nierdzewnych. Współpracujemy ze sprawdzonymi wykonawcami, więc klient dostaje gotowy detal CNC – zgodny z rysunkiem i specyfikacją branżową. Na koniec pakujemy elementy (również jednostkowo, jeśli to konieczne) i organizujemy wysyłkę. Stałym klientom oferujemy odtworzenie serii na żądanie – bez ponownego ustawiania procesu.

Dlaczego PTI do procesu produkcji CNC?

Bo łączymy 3 rzeczy, których rzadko szuka się razem: technologię, przejrzystość kosztów i tempo. Mamy doświadczenie w motoryzacji, HVAC, elektronice i przemyśle spożywczym, pracujemy na tokarkach CNC i centrach frezarskich 3-osiowych, a nasza analiza kosztowa CNC – unikalna w Polsce – pozwala klientom zrozumieć, z czego wynikają ceny i co zrobić, by je obniżyć. To dlatego już na etapie projektu sugerujemy zmiany, które niczego nie psują, a skracają cykl i zmniejszają zużycie narzędzi.

Jeśli chcesz zgłębić, jak projekt wpływa na cenę, zobacz nasz praktyczny poradnik: 10 błędów projektowych podnoszących koszt obróbki CNC. A jeśli zastanawiasz się nad materiałem, zacznij od podstaw – aluminium ma świetną obrabialność, a w wielu zastosowaniach sprawdzi się lepiej kosztowo niż stal nierdzewna (przy zachowaniu wymaganej funkcji).

FAQ (krótkie): proces produkcji CNC w praktyce

Ile trwa realizacja? To zależy od złożoności i wielkości serii. Prototypy zwykle szybciej, serie po zatwierdzeniu próbki – zgodnie z harmonogramem ustalonym po analizie kosztowej. Jak dostarczyć pliki? Najlepiej STEP + PDF 2D z wymaganiami (tolerancje, chropowatość, materiał, wykończenie). Czy optymalizujecie projekt? Tak – proponujemy zmiany obniżające koszt, ale decyzja należy do Ciebie.

Podsumowanie – proces produkcji CNC w PTI w skrócie

Proces produkcji CNC w PTI to spójny ciąg działań: dokumentacja → analiza technologiczno-kosztowa → programowanie → obróbka na tokarkach i centrach 3-osiowych → kontrola jakości → wykończenie i dostawa. Dzięki analizie kosztowej klient rozumie, skąd bierze się cena i jak ją obniżyć, a dzięki standaryzacji i automatyzacji (np. podajniki prętów) zyskuje powtarzalność i krótsze terminy. Potrzebujesz wyceny lub chcesz porozmawiać o swoim projekcie? Napisz do nas – kontakt PTI.

    Załączniki

    Przewijanie do góry